產品編號:GEEW...ES 12~320
滑動磨擦副: 鋼/鋼
產品特點:內圈兩端帶伸出圓筒,外圈有一道軸向縫,內、外圈材料均為軸承鋼,淬火,磷化,滑動表面涂敷二硫化鉬。
使用溫度范圍:-50℃~+150℃
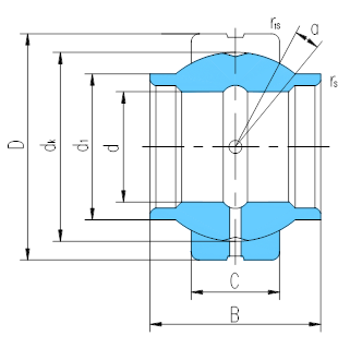
軸 承 型 號 Bearing number | 外 形 尺 寸 Dimensions mm | 額定載荷 Load ratings kN | 重 量 Weight ≈kg | |||||||||
d | D | B | C | d1 max | dk | rs min | r1s min | α? ≈ | 動載荷 Dynamic | 靜載荷 Static | ||
GEEW12ES* | 12 | 22 | 12 | 7 | 15.5 | 18 | 0.3 | 0.3 | 4 | 10 | 53 | 0.017 |
GEEW15ES | 15 | 26 | 15 | 9 | 18.5 | 22 | 0.3 | 0.3 | 5 | 16 | 84 | 0.028 |
GEEW16ES | 16 | 28 | 16 | 9 | 20 | 23 | 0.3 | 0.3 | 4 | 17 | 85 | 0.034 |
GEEW17ES | 17 | 30 | 17 | 10 | 21 | 25 | 0.3 | 0.3 | 7 | 21 | 106 | 0.043 |
GEEW20ES | 20 | 35 | 20 | 12 | 25 | 29 | 0.3 | 0.3 | 4 | 30 | 146 | 0.069 |
GEEW25ES | 25 | 42 | 25 | 16 | 30.5 | 35.5 | 0.6 | 0.6 | 4 | 48 | 240 | 0.124 |
GEEW30ES | 30 | 47 | 30 | 18 | 34 | 40.7 | 0.6 | 0.6 | 4 | 62 | 310 | 0.159 |
GEEW32ES | 32 | 52 | 32 | 18 | 37 | 43 | 0.6 | 1 | 4 | 65 | 328 | 0.207 |
GEEW35ES | 35 | 55 | 35 | 20 | 40 | 47 | 0.6 | 1 | 4 | 79 | 399 | 0.248 |
GEEW40ES | 40 | 62 | 40 | 22 | 46 | 53 | 0.6 | 1 | 4 | 99 | 495 | 0.349 |
GEEW45ES | 45 | 68 | 45 | 25 | 52 | 60 | 0.6 | 1 | 4 | 127 | 637 | 0.468 |
GEEW50ES | 50 | 75 | 50 | 28 | 57 | 66 | 0.6 | 1 | 4 | 156 | 780 | 0.62 |
GEEW60ES | 60 | 90 | 60 | 36 | 68 | 80 | 1 | 1 | 4 | 245 | 1220 | 1.11 |
GEEW63ES | 63 | 95 | 63 | 36 | 71.5 | 83 | 1 | 1 | 4 | 253 | 1260 | 1.27 |
GEEW70ES | 70 | 105 | 70 | 40 | 78 | 92 | 1 | 1 | 4 | 313 | 1560 | 1.69 |
GEEW80ES | 80 | 120 | 80 | 45 | 91 | 105 | 1 | 1 | 4 | 400 | 2000 | 2.55 |
GEEW90ES | 90 | 130 | 90 | 50 | 99 | 115 | 1 | 1 | 4 | 488 | 2440 | 3.04 |
GEEW100ES | 100 | 150 | 100 | 55 | 113 | 130 | 1 | 1 | 4 | 607 | 3030 | 4.87 |
GEEW110ES | 110 | 160 | 110 | 55 | 124 | 140 | 1 | 1 | 4 | 654 | 3270 | 5.53 |
GEEW125ES | 125 | 180 | 125 | 70 | 138 | 160 | 1 | 1 | 4 | 950 | 4750 | 8.19 |
GEEW160ES | 160 | 230 | 160 | 80 | 177 | 200 | 1 | 1 | 4 | 1360 | 6800 | 15.8 |
GEEW200ES | 200 | 290 | 200 | 100 | 221 | 250 | 1.1 | 1.1 | 4 | 2120 | 10600 | 31.7 |
GEEW250ES | 250 | 400 | 250 | 120 | 317 | 350 | 1.1 | 1.1 | 4 | 3750 | 17800 | 101 |
GEEW320ES | 320 | 520 | 320 | 160 | 405 | 450 | 1.1 | 1.1 | 4 | 6200 | 30500 | 225 |
????