產品編號:SAZJ… 4.83~19.05
滑動磨擦副:鋼/鋼
產品特點:擠壓桿端關節軸承桿端體材料是碳鋼,表面鍍鋅,擠壓成形,內圈材料是軸承鋼,淬火,球面鍍硬鉻。
使用溫度范圍:-50℃~+150℃
軸 承 型 號 Bearing number | 外 形 尺 寸 Dimensions mm/inch | 額定載荷 Load ratings kN | 重量 Weight ≈kg | |||||||||||
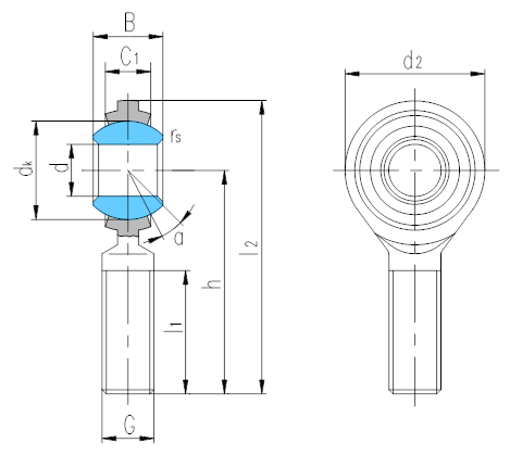
d | B | dk | C1 max | d2
| G UNF-2A | h | l1 min | l2
| rs min | αº ≈ | 動載荷 Dynamic | 靜載荷 Static | ||
SAZJ4 | 4.83 | 7.92 | 11.1 | 5.94 | 15.88 | 10-32 | 31.75 | 19.05 | 39.70 | 0.3 | 10 | 3.6 | 3.8 | 0.014 |
0.19 | 0.312 | 0.437 | 0.234 | 0.625 | 1.25 | 0.75 | 1.563 | 0.012 | ||||||
SAZJ6 | 6.35 | 9.53 | 12.7 | 6.35 | 19.05 | 1/4-28 | 39.67 | 25.40 | 49.20 | 0.3 | 13.5 | 5.4 | 6.6 | 0.018 |
0.25 | 0.375 | 0.5 | 0.25 | 0.75 | 1.562 | 1 | 1.937 | 0.012 | ||||||
SAZJ7 | 7.94 | 11.10 | 15.88 | 7.92 | 22.23 | 5/16-24 | 47.63 | 31.75 | 58.72 | 0.3 | 11 | 8.5 | 12 | 0.032 |
0.3125 | 0.437 | 0.625 | 0.312 | 0.875 | 1.875 | 1.25 | 2.312 | 0.012 | ||||||
SAZJ9 | 9.53 | 12.70 | 18.26 | 9.12 | 25.40 | 3/8-24 | 49.23 | 31.75 | 61.93 | 0.6 | 11 | 11 | 16 | 0.050 |
0.375 | 0.5 | 0.719 | 0.359 | 1 | 1.938 | 1.25 | 2.438 | 0.024 | ||||||
SAZJ11 | 11.11 | 14.27 | 20.62 | 10.31 | 28.58 | 7/16-20 | 53.98 | 34.93 | 68.28 | 0.6 | 10.5 | 14 | 21 | 0.068 |
0.4375 | 0.562 | 0.812 | 0.406 | 1.125 | 2.125 | 1.375 | 2.688 | 0.024 | ||||||
SAZJ12 | 12.7 | 15.88 | 23.81 | 11.50 | 33.32 | 1/2-20 | 61.93 | 38.10 | 78.59 | 0.6 | 10 | 18 | 28 | 0.11 |
0.5 | 0.625 | 0.937 | 0.453 | 1.312 | 2.438 | 1.5 | 3.094 | 0.024 | ||||||
SAZJ15 | 15.88 | 19.05 | 28.58 | 12.29 | 38.10 | 5/8-18 | 66.68 | 41.28 | 85.73 | 0.6 | 13 | 23 | 29 | 0.16 |
0.625 | 0.75 | 1.125 | 0.484 | 1.5 | 2.625 | 1.625 | 3.375 | 0.024 | ||||||
SAZJ19 | 19.05 | 22.23 | 33.32 | 15.06 | 44.45 | 3/4-16 | 73.03 | 44.45 | 95.25 | 0.6 | 12 | 34 | 44 | 0.26 |
0.75 | 0.875 | 1.312 | 0.593 | 1.75 | 2.875 | 1.75 | 3.75 | 0.024 | ||||||
可提供不同螺紋精度要求的桿端關節軸承。
可提供滑動摩擦副為鋼/ PTFE復合材料或鋼/ PTFE編織物的桿端關節軸承。
若是左旋螺紋,軸承型號和螺紋標記需加“L”和“LH”,例如:SALZJ12 1/2-20UNF-2ALH。
以上產品的桿端體和內圈可用不銹鋼制造,軸承型號后面加“X”標識,即SAZJ…/X。
????