產品編號:SIR…ES 20~120
滑動磨擦副:鋼/鋼
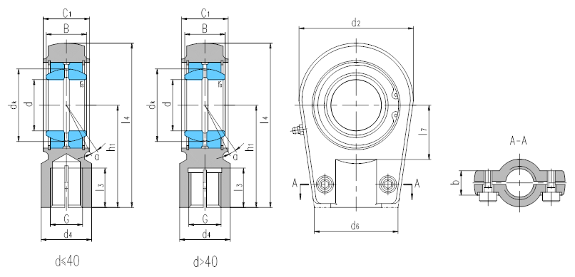
產品特點:帶鎖口桿端關節軸承由桿端體和向心關節軸承GE…ES組裝而成,用擋圈固定,d<60,桿端體材料是碳鋼,60≤d≤90,桿端體材料是碳鋼或球墨鑄鐵,d>90,桿端體材料是球墨鑄鐵,SIR…ES桿端體的內螺紋帶有鎖口,配有螺釘緊固;SIRN…ES桿端體無鎖緊螺釘,均可通過油杯潤滑。
使用溫度范圍:-50℃~+150℃
軸 承 型 號 Bearing number 外 形 尺 寸 Dimensons mm 額定載荷 Load ratings kN 鎖 緊 螺 釘 Screw 重 量 Weight ≈kg d B dK C1 d2 G 6H h1 l3 l4 l7 d4 d6 b rs α? ≈ 動載荷 Dynamic 靜載荷 Static SIR20ES 20 16 29 19 56 M16×1.5 50 17 80 25 25 46 20 0.3 9 30 81 M8×20 0.44 SIR25ES 25 20 35.5 23 56 M16×1.5 50 17 80 25 25 46 21 0.6 7 48 72 M8×20 0.47 SIR30ES 30 22 40.7 28 64 M22×1.5 60 23 94 30 32 50 26 0.6 6 62 106 M8×25 0.77 SIR35ES 35 25 47 30 78 M28×1.5 70 29 112 38 40 66 28 0.6 6 79 153 M10×30 1.24 SIR40ES 40 28 53 35 94 M35×1.5 85 36 135 45 49 76 33 0.6 7 99 250 M10×35 2.12 SIR50ES 50 35 66 40 116 M45×1.5 105 45 168 55 61 90 37 0.6 6 156 365 M12×40 3.74 SIR60ES 60 44 80 50 130 M58×1.5 130 59 200 65 75 120 46 1 6 245 400 M16×45 6.49 SIR60ES-D1) SIR70ES 70 49 92 55 154 M65×1.5 150 66 232 75 86 130 51 1 6 313 540 M16×50 9.88 SIR70ES-D1) SIR80ES 80 55 105 60 176 M80×2 170 81 265 80 105 160 55 1 6 400 670 M20×55 14.2 SIR80ES-D1) SIR90ES 90 60 115 65 206 M100×2 210 101 323 90 124 180 60 1 5 488 980 M20×60 23.5 SIR90ES-D1) SIR100ES 100 70 130 70 231 M110×2 235 111 360 105 138 200 65 1 7 607 1120 M24×65 32.14 SIR110ES 110 70 140 80 266 M120×3 265 125 407 115 152 220 74 1 6 654 1700 M24×80 47.6 SIR120ES 120 85 160 90 340 M130×3 310 135 490 140 172 257 84 1 6 950 2900 M24×80 72
1)桿端體采用碳鋼鍛造。
可裝自潤滑向心關節軸承。
若是左旋螺紋,軸承型號和螺紋標記需加“L”和“左”,例如:SILR40ES M35×1.5左-6H。

